产品展示
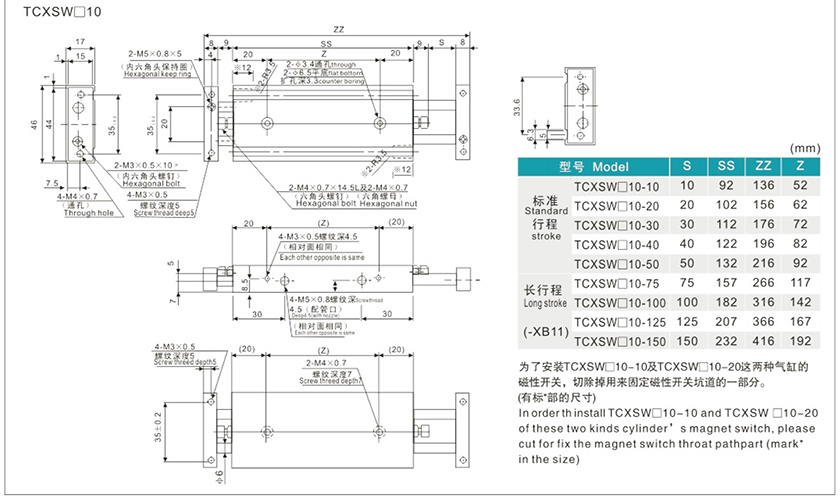
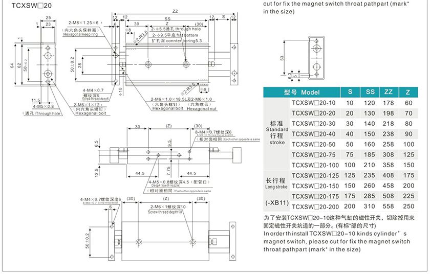
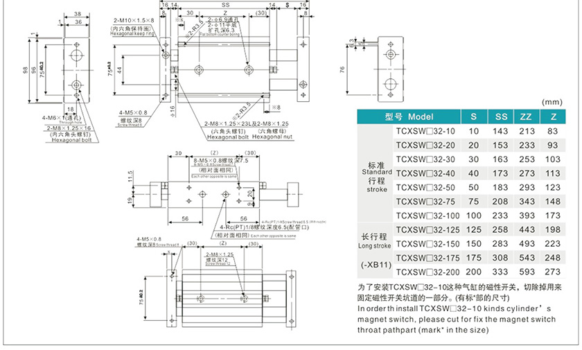
TCXSW系列双缸气缸
在线询价

天瓯移动端

Copyright © 乐清市天瓯气动液压制造有限公司. All Rights Reserved. 网站备案号:浙ICP备15015821号-1
技术支持:联科科技

在线咨询

工作日: 9:30-21:00
周末:10:00-17:00

在线咨询

请您留言

Please leave a message

*

标题

*

姓名

*

电话

*

邮箱

*