Products
Location:HomeProductsValve Series
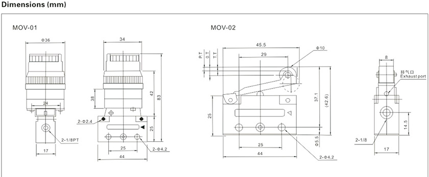
MOV Series button valve
Online Inquiry

Scorpio mobile

Copyright © Yueqing Tianhao Pneumatic Hydraulic Manufacturing Co., Ltd.. All Rights Reserved.
Technical Support:Lianke

Online Consultation

Working Day:9:30-21:00
Weekend:10:00-17:00

Online Consultation

Please leave a message
*

Title

*

Name

*

Tel

*

E-mail

*